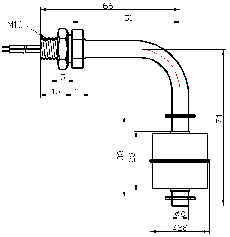
不锈钢浮球开关-侧弯式LSS2A1
>

不锈钢浮球开关-侧弯式LSS2A1

LSS2A1 
浮球规格:直径28X高度28 
液位开关主要由磁簧开关和浮子组成,浮子内有磁性材料,浮子随被测液位上下移动时,触动磁簧开关而检出液位位置。
产品规格︰ 浮球液位开关体积轻巧,工作原理简单,可靠性高,工作寿命长,使用于饮水机、食品机械、水处理、清洗机、油压机、喷绘机、造船造纸、印刷、发电设备、染料工业等。 

在密闭的非导性磁性管内安装有一个或多个干簧管,当环形磁铁靠近磁簧开关中心时,磁簧开关接点ON,反之磁铁离开时磁簧管有ON变为OFF。 
安装方式:垂直安装 
工作温度:-10~120℃(MAX200℃ 高温需定制) 
接点容量: 70W/50W 220VAC; 
开关电流: 0.7A;
产品优点︰ 特性:
无接触感应避免机构上之误动作
价格低廉 寿命长 安装简单 适用范围广
交货日期︰ 现货

尺寸图:

安装示意图:

 

上一篇:不锈钢浮球开关-侧弯式
下一篇:没有了
扫一扫!关注最新资讯