不锈钢连杆浮球液位开关
>

不锈钢连杆浮球液位开关

产品描述
连杆浮球液位开关是把中空且内部装有环形磁铁的浮球,按要求贯穿限定在密闭的非导磁的导杆上,当浮球受液体浮力作用而随液位上升或下降时,在磁力的作用下导杆内相应位置处预先装置的干簧管即输出开(通)或关(断)的信号,指示被测液体的实际位置。 
产品规格︰ PP,PVDF材质可适用于强酸硷场所;SUS304/316金属材质适用于高温高压桶槽 
接线盒规格最齐全,有塑胶、铝合金、不锈钢防爆型,防护等级IP-65以上 
接点容量50W/250VAC SPST或40W/250VAC SPDT 
接续法兰有JIS,DIN,ANSI规格;牙口有NPT,PF,BSP等规格 
可做多点控制、安装容易、节省成本 
特殊规格亦可配合客户需求订 

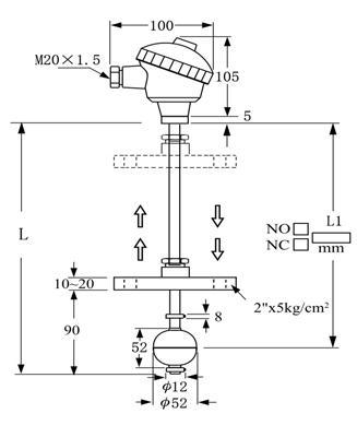
动作原理: 
  在密闭的金属或塑胶管内,设计一点或多点的磁簧开关,然后将管子贯穿一个或多个,中空而内部装有环型磁铁的浮环,并利用固定环,控制浮球与磁簧开关在相关位置上,使浮球在一定范围内上下浮动。利用浮球内的磁铁去吸引磁簧开关的接点,产生开与关的动作,作液位的控制或指示。下图为常闭(NC)及常开(NO)时浮球开关的相关位置。 

用途: 
  专门用于各种中小型常压和受压储液罐的液位检测、现场指示 信号远传、液位报警,可适用于各种卫生、有毒、腐蚀性介质及爆炸性气体危险场所。有多种安装形式,适用于各种形式的容器。 
特点: 
可作多点控制,控制开关位置可以随着使用者需要订制。 
使用磁簧开关不需供应电源,接点寿命可达200万次。 
所有的开关出线在同一接线盒,外部施工配线成本低廉。 
多个开关控制点和其它形式的液位开关比较,RF型的单价最低。 
接线盒的防护等级皆在IP-65以上。 
有PVDF、PP、 PVC塑胶材质及SUS304、SUS316金属材质,因此不管酸碱液、溶剂或各种燃油,皆有合适产品可配合使用。 
磁簧开关与导线完全和液体隔离,因此在高温、高压设备上亦可安全使用。 


4 订购说明: 
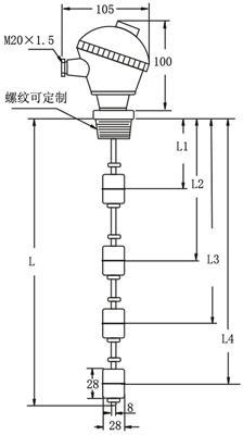
连杆浮球液位开关为订制品,为方便使用者正确选购,特别将各种法兰、牙口、接线盒规格、材质特性、浮球规格,组合成各种规格的标准型,使用者选购前只要先确认法兰或牙口规格,就一定可以安装,接着只需在目录图形上小方框内填写控制位置尺寸L1-L2(不需要的不用填写)总长度L,再填入动作点形式为常闭(NC)或常开(NO),最后修改图形下方料号的最后第五码为所需的浮球数即可。
两个浮球间最小间距及最底点的最小距离,在订购时须注意,如果间距不够将无法依规格生产制作。
请于订购时依下表尺寸订定尺寸:
A=距接续底面的最小距离
B=两个浮球间最小间距
C=距最底点的最小间距
D=一个浮球,两个水位的最小间距
E=螺纹长度 

参考单价︰ 厂价

产品图片

 

 

 

 

上一篇:不锈钢连杆浮球液位开关
下一篇:没有了
扫一扫!关注最新资讯